Спасибо за информацию, Виктор Григорьевич!
Хотел бы уточнить про цитату «нормативные расстояние от дома до фронтального забора составляет 5
метров. Поэтому жилой дом сдвинется...» Уточню что участок ИЖС. Данные про 5 метров от забора — не находил, все что я нашел только 5 метров от красной линии УЛИЦЫ (улица это 2 полосы), либо 3 метра от красной линии проезда (проезд — это однополосная).
Вообще сразу же тщательно вник во все эти расстояния, вот моя скромная аналитика, может кому-то пригодится тоже, выложу краткие источники. Очень часто про них никто не знает.
///////////////
СНиП 30-102-99. ЭТОТ СНИП по ИЖС. по снт другой номер.
Термины:
Одноквартирный жилой дом — жилой дом, предназначенный для
проживания одной семьи и имеющий приквартирный участок.
4.2.4 Число полос движения на жилых улицах и проездах должно
приниматься:
для жилых улиц — не менее 2-х полос;
для проездов — 1 полоса.
Ширину полос следует принимать 3,5 м.
— 5.3.2 Усадебный, одно-двухквартирный дом должен отстоять от красной
линии улиц не менее чем на 5 м, от красной линии проездов — не менее чем на
3 м. Расстояние от хозяйственных построек до красных линий улиц и
проездов должно быть не менее 5 м.
5.3.4 До границы соседнего приквартирного участка расстояния по
санитарно-бытовым условиям должны быть не менее: от усадебного, одно-
двухквартирного и блокированного дома — 3 м с учетом требований п.4.1.5
настоящего Свода правил; от постройки для содержания скота и птицы — 4 м;
от других построек (бани, гаража и др.) — 1 м; от стволов высокорослых
деревьев — 4 м; среднерослых — 2 м; от кустарника — 1 м.
4.1.10 Минимальные противопожарные расстояния между зданиями (а
также между крайними строениями и группами строений на приквартирных
участках) принимать по табл.1, прил.1 СНиП 2.07.01.
— Смотрим противопожарный СНИП 2.07.01 приложение 1:
п.9. Расстояния от одно-, двухквартирных жилых домов и хозяйственных
построек (сарая, гаража, бани) на приусадебном земельном участке до жилых
домов и хозяйственных построек на соседних земельных участках принимаются
по табл.1*. (смотрим в этой таблице расстояние задается одно, между постройками, это 6,8,10 метров, в зависимости от материалов стен соседних построек).
Расстояния между жилым домом и хозяйственными постройками, а также
между хозяйственными постройками в пределах одного земельного участка
(независимо от суммарной площади застройки) НЕ НОРМИРУЮТСЯ.
////////////////////////////
Я заказал ГПЗУ на госуслугах, посмотрим где проходят красные линии улицы. Если вдруг окажется что по границе участка тогда да вы правы 5 метров от них, если же нет, и есть запас, то может оказаться что можно строить дом хоть впритык к фронтально/угловому забору (нормируется только к соседнему участку). Кстати любые хозпостройки получается что можно размещать впритык к фронтальным и угловым границам участка, не к соседскому забору разумеется (тоже многие думают что нельзя).
PS/ по инсоляции согласен все ранво дом сдвинется глубже, просто уж интересно было разобраться с этими нормами.
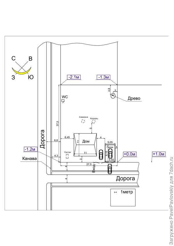
Нужна помощь в расстановке и планировке ключевых объектов на новом участке 10 соток. Как распланировать?
Участок куплен пока только мною во всем поселке. Взял специально угловой из-за социофобии ))) — две стороны примыкают к щебневым дорогам, по остальным двум сторонам смежные участки.
Делать для меня планировку форумчан не хочу напрягать, но прошу, если несложно, подтвердить/опровергнуть мои решения прямо по пунктам.
Больше интересует инженерная составляющая, хочу расставить ключевые строения максимально оптимально для использования. Рюшечки, цветочки не столь важны.
1) Поскольку самая высокая часть участка располагается в правом нижнем углу (на схеме), то все важные строения должны быть наверняка размещены там, чтобы не хлюпать по лужам в низине? Но в то же время дом не расположишь близко к соседу — нужно максимально акустически защититься от него, поэтому сначала располагаем гараж по нормам, 1 метр от его забора, а левее, в 3 метрах от гаража, уже дом. Хотя для стройки дом с гаражом можно было бы поменять местами (чтобы дом был выше) — но тогда все равно попадаем на норму 3 м от забора, и тогда смысл теряется, так как оба строения уйдут левее в нижний уровень.
Это главный якорь схемы, он неизменен, правильно ли я понимаю?
2) Далее уже проще — логично, что септик располагаем максимально близко к дороге для доступа шланга, но при этом недалеко от дома. Вариантов вроде как других не остается.
3) Сейчас нужен колодец с технической водой — для стройки и т.п. колодец располагаем на заднем дворе, в середине участка, подальше от потенциальных септиков соседей. Скважину в перспективе размещаем, наверное, там же.
4) Сейчас также нужен основательный уличный туалет, опыт постройки на легком фундаменте с кольцами имеется, размещаем его в самой низи участка. Вроде тоже логично. Почему не в левом дальнем углу участка? А есть ли смысл делать его далеко, да и в перспективе останется, чтобы домой не бегать, находясь на улице.
Сейчас главная задача — разместить туалет, гараж и колодец так, чтобы не переделывать. Планирую рыть чуть ли не завтра.
Дом и разные беседки, возможно, будут через «десятилетия», главное — гараж, это будет монументальное пристанище на первое время, пеноблок.
Главная цель участка — пока гараж, мытье машины, полировка, мастерить разные вещи, чего не сделать в квартире, хранение разных вещей. Полировка и мытье должно выполняться в тени, а по факту получается, что тени-то на участке и нет, т.к. заезд на участок с южной стороны. Теоретически заезд можно сделать с западной стороны, но это низина — парковка будет в воде.
Солнце — это главный минус, который пока вижу (терпеть не могу солнце, у всех свои причуды)))) и не понимаю, как его исправить. В будущем, возможно, сделаю площадку за домом, чтобы там в тени возиться с авто, проезд любого авто по участку нужно предусмотреть в том числе для возможного обслуживания скважины в будущем.
Покритикуйте аргументированно по пунктам, если не сложно, спасибо!

Вар1

Вар2
Это может быть полезным:
У вас есть свой дачный вопрос? Задайте его нашим экспертам и опытным дачникам.
Задать вопрос
Задать вопрос
Все ответы и комментарии (10)
Здравствуйте! Красные линии можно посмотреть на публичной кадастровой карте.
0
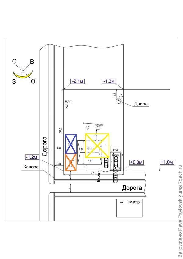
Сайт не дает редактировать свои сообщения. Разработал надеюсь конечный вариант расположения гаража(совмещен с баней). Решил переместить его в нижнюю точку- чтобы дом оказался выше, плюс заезд получиться выше дороги, после поднятия этой части участка (на которой гараж). Технически мне видится такое решение правильнее и безопаснее для дома. Как считаете?
Пересматриваю концепцию, новый вариант — если смотреть только то, что цветными линиями поверх старого чертежа:
-синее =гараж;
-оранжевое = площадка или навес перед гаражем — ее придется делать внутри так как в полученном ГПЗУ нельзя гараж ставить впритык к забору, даже фронтальному, нужен отступ метр;
— желтое = дом.
Какие вижу плюсы. В виду уклона 1,2 метра по фронтальной стороне — получаем дом практически в самой высокой точке участка — огромная экономия на отсыпке для монолитной плиты, меньше делать щебеночную подушку, более высокое место, но минус в том, что от соседей не отгораживаемся гаражем :-), но это решаемо теплицами или елками.
Гараж перемещаем в низину, но поднимаем его фундамент на 50см (т.к. эта часть участка всеранво будет подниматься отсыпаться), при старом расположении(справа) все равно бы пришлось его поднимать, чтобы он был выше уровня дороги, т.к. сейчас дорога в ровень с участком. Плюсы — гараж становится выше дороги, гараж перестает являтся самым высоким строением на участке — гармоничнее.
И самое главное меньше затрат на поднятие, т.к. поднять фундамент гаража, нежели дешевле чем поднятие плиты дома.
Есть ли здесь специалисты по фундаментам, покритикуйте если не сложно. Спасибо.
-синее =гараж;
-оранжевое = площадка или навес перед гаражем — ее придется делать внутри так как в полученном ГПЗУ нельзя гараж ставить впритык к забору, даже фронтальному, нужен отступ метр;
— желтое = дом.
Какие вижу плюсы. В виду уклона 1,2 метра по фронтальной стороне — получаем дом практически в самой высокой точке участка — огромная экономия на отсыпке для монолитной плиты, меньше делать щебеночную подушку, более высокое место, но минус в том, что от соседей не отгораживаемся гаражем :-), но это решаемо теплицами или елками.
Гараж перемещаем в низину, но поднимаем его фундамент на 50см (т.к. эта часть участка всеранво будет подниматься отсыпаться), при старом расположении(справа) все равно бы пришлось его поднимать, чтобы он был выше уровня дороги, т.к. сейчас дорога в ровень с участком. Плюсы — гараж становится выше дороги, гараж перестает являтся самым высоким строением на участке — гармоничнее.
И самое главное меньше затрат на поднятие, т.к. поднять фундамент гаража, нежели дешевле чем поднятие плиты дома.
Есть ли здесь специалисты по фундаментам, покритикуйте если не сложно. Спасибо.
0

0
Павел, разрешите и мне покритиковать маленько.
Расстояние от скважины до строений вроде бы должно быть 5 метров.
Я бы не делала вход из гаража в баню. Во первых, выхлопные газы могут пойти в помещение бани, во вторых влажность из бани могут пойти в гараж. В третьих из норм ПБ.
Расстояние от скважины до строений вроде бы должно быть 5 метров.
Я бы не делала вход из гаража в баню. Во первых, выхлопные газы могут пойти в помещение бани, во вторых влажность из бани могут пойти в гараж. В третьих из норм ПБ.
Отчего ж нельзя, конечно. Скажины у многих в домах по проекту, возможно спутали с септиком. Про двери — засомневался и скачал предварительно несколько платных проектов — есть такие же расстановки 1в1 — смежная дверь из гаража, и действительно это удобно когда поменял сцепление и пошел мыть руки или в душ. Это все мелочи — можно доработать пока лишь зонирование крупными мазками, мне важно понять что фундамент для гаража придется поднимать на 1 метр, зато все остальные постройки вообще не придется поднимать больше. Как бы продавать не пришлось участок, хотя уже построил на нем шикарный VIP туалет в модной сером белом цвете )))
В потом в доме сырость и скважину не обслужить.
А если рядом с домом, то расстояние в 5 метров идёт для защиты конструкций дома (основания и фундаментов).
По входу в комнату при бане из гаража вот нормы.
Гараж — пожароопасное помещение категории минимум В3.
Соединять её с баней не айс.
Как минимум, через тамбур.
![]()
![]()
А если рядом с домом, то расстояние в 5 метров идёт для защиты конструкций дома (основания и фундаментов).
По входу в комнату при бане из гаража вот нормы.
Гараж — пожароопасное помещение категории минимум В3.
Соединять её с баней не айс.
Как минимум, через тамбур.



метров. Поэтому жилой дом сдвинется в
глубину участка. И стоит учесть, что расстояние между домом и гаражом в 3 метра невелико, и поэтому будет накрываться тенью от гаража. ( вариант 1). Соответственно, здесь будет неинсолируемая зона, что может привести к сырости, долгому снежному покрову, и в результате к деформации фундамента. Подобных узких коридоров, по возможности, лучше избегать при планировке участка. Второй вариант в этом плане лучше, где дом расположен на расстоянии 6.45 м от границы участка. Навес между домом и гаражом также даст хорошее теневое место, хотя во втором варианте он отсутствует.
К сожалению, рельеф участка диктует свои правила размещения строений, либо прибегают к вертикальной планировке, что потребует определённых финансовых вложений.
Вижу на схеме показан вход на участок, как дальше пойдёт пешеходный маршрут? Логично будет по прямой его направить, но тогда через парковку, что неудобно. Такие моменты стоит продумать сейчас, на предпроектном этапе. Удачи!